Staffa da cementare ad U per pali in legno da 7 cm
Staffa da cementare ad U per pali in legno da 7 cm
√ Staffa fissaggio palo legno larghezza 7 cm
√ Per fissaggio pilastri in legno su cemento
√ Spessore di 4 mm.
√ Dimensioni complete nella sezione descrizione
√ Le staffe zincate per pali in legno sono realizzate in metallo zincato, che la protegge da ruggine e corrosione
√ Ferramenta per Strutture in Legno prodotta nella Comunità Europea
.png)
Come fissare un palo di legno da 7 cm sul cemento? Con la Staffa da cementare ad U per pali in legno da 7 cm
La staffa ad u per pali in legno da cementare è un elemento di ferramenta con pieghe sulla barra sul lato inferiore. Perfetta per essere annegata in una gettata di cemento o calcestruzzo. La staffa è realizzata in acciaio zincato a caldo per resistere alla ruggine e alla corrosione. La staffa è disponibile in diverse dimensioni a seconda dello spessore del palo in legno. La staffa ad u per pali in legno da cementare è utile per realizzare strutture in legno come staccionate, carport, pergole, tettoie, ecc.
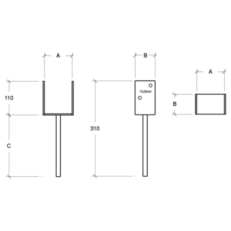
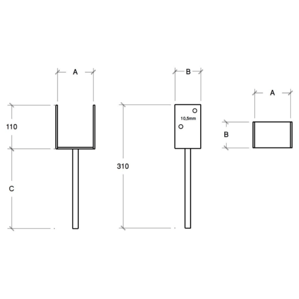
La staffa da cementare - supporto per palo da avvitare per pali da 7 cm (A) ha uno spessore di 4 mm e fa parte di una serie di elementi necessari per la giunzione, il supporto e gli ancoraggi a terra dei manufatti in legno.
La lunghezza del tondo da cementare è di 20 cm (C). La larghezza della staffa è di 65 mm (B). E' realizzata in ferro zincato, che la protegge da ruggine e corrosione. La staffa per palo da avvitare parte di una serie di elementi necessari per la giunzione, il supporto e gli ancoraggi a terra dei manufatti in legno. E' realizzata in ferro zincato, che la protegge da ruggine e corrosione.
Reggi palo a U con ancora di cemento, zincato a caldo venduto ad uso privato.
Puoi essere il primo a fare una domanda su questo prodotto!

















